Stainless socket welding flanges 300 lbs

Fittings & flanges

ASTM A182, ASME B16.5
Sch 40S

Stainless socket welding flanges 300 lbs

Raised face, smooth finish (125-250 RMS / 3.2-6.3 µm)

Product code example:

FFSW-304L-1-300-40S

FFSW-[Converted].png
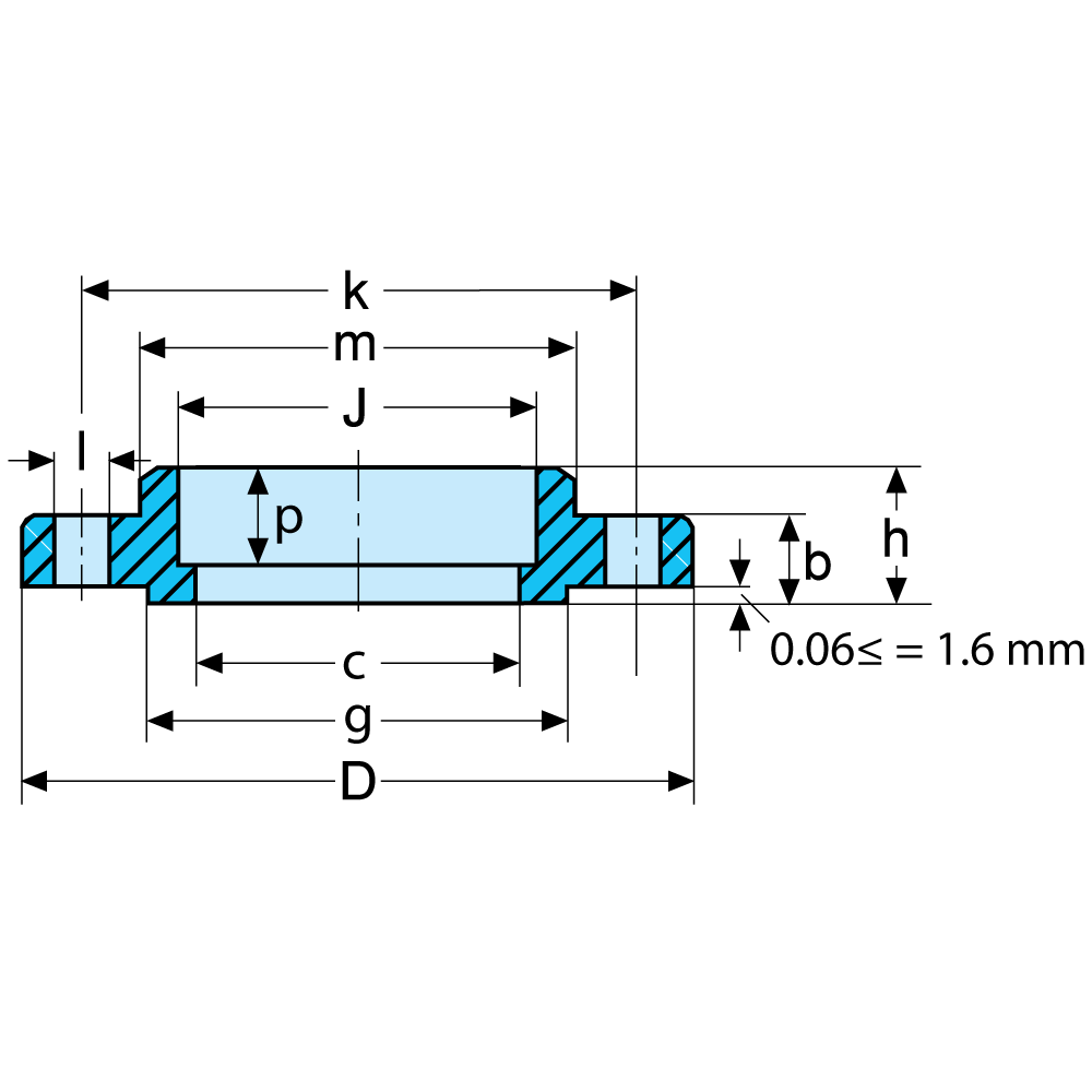
Pipe Flange Hub Raised face Drilling template Weight Stock standard
Nom. size O.D.1 D J c P b h m g No. of holes l k kg/pce ASTM 304L ASTM 316L
in. mm mm mm mm mm mm mm mm mm mm mm
1/2
3/4
1
1 ¼
21.3
26.7
33.4
42.2
95.9
117.3
124.0
133.4
22.4
27.7
34.5
43.2
15.7
20.8
26.7
35.1
9.7
11.2
12.7
14.2
14.2
15.7
17.5
19.1
22.4
25.4
26.9
26.9
38.1
47.8
53.8
63.5
35.1
42.9
50.8
63.5
4
4
4
4
15,7
19.1
19.1
19.1
60.5
82.6
88.9
98.6
0.66
1.15
1.40
1.75






1 ½
2
48.3
60.3
155.4
165.1
49.5
62.0
40.9
52.6
15.7
17.5
20.6
22.4
30.2
33.3
69.9
84.1
73.2
91.9
4
8
22.4
19.1
114.3
127.0
2.55
2.93


1 O.D. = Outside Diameter

Need to know more? We're here to help